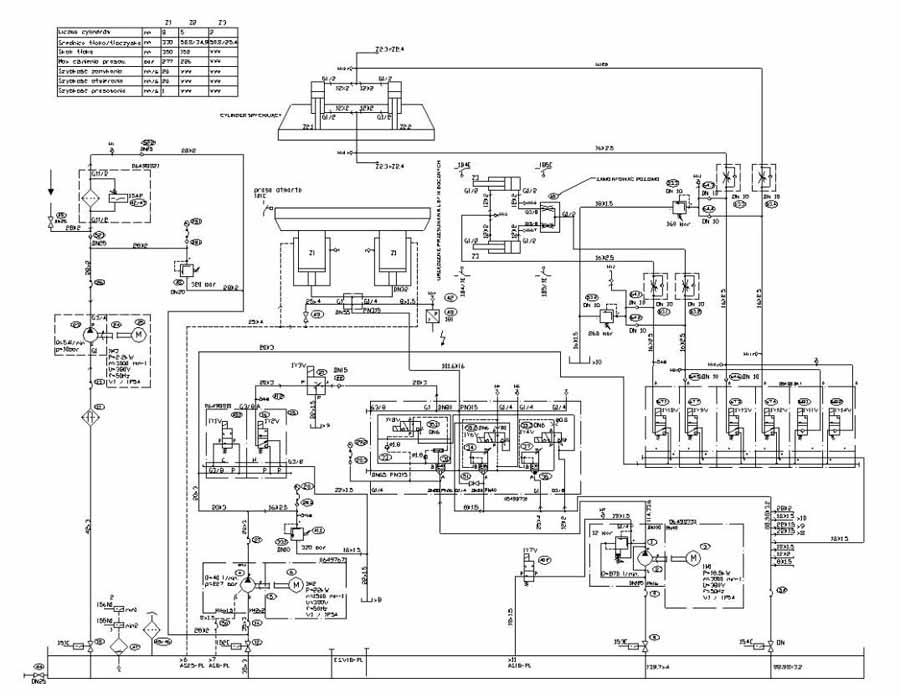
Uk. hydrauliczny zmodernizowanej prasy wulkanizacyjnej.